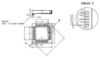
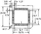
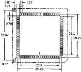
Series 540 Sockets for Plastic Leaded Chip Carriers (PLCC) SMT terminations Series 540 PLCC sockets with SMT terminations come with square sizes for IC-packages according to JEDEC MO-047, rec- tangular size (32) accord- ing to JEDEC MO-052 = low profile Solder tail width 0.33 mm Guaranteed coplanarity tolerance of SMT termina- tions max. 0.10 mm Plating Stamped contacts 99 tin-lead over nickel Please note: 99 is only plating available for this product. Ordering information Please refer to table Order Codes Standard packaging: tube Packaging options: Tape on reel (add suffix TR, ex 540-99-020-17-400-TR) For PCB layout see below No. of poles Order Codes Dimensions Standard parts: Parts with 2 positioning pegs: A1 A2 B1 B2 C1 C2 D E 20 540-99-020-17-400 540-99-020-17-400-2 14.86 14.86 5.08 5.08 7.26 7.26 4.60 16.00 28 540-99-028-17-400 540-99-028-17-400-2 17.40 17.40 7.62 7.62 9.80 9.80 4.60 19.70 *32* 540-99-032-17-400 540-99-032-17-400-2 16.90 19.45 7.62 10.16 9.61 12.16 3.90 22.00 44 540-99-044-17-400 540-99-044-17-400-2 22.48 22.48 12.70 12.70 14.88 14.88 4.60 27.00 52 540-99-052-17-400 540-99-052-17-400-2 25.40 25.40 15.24 15.24 17.50 17.50 4.60 30.80 68 540-99-068-17-400 540-99-068-17-400-2 30.54 30.54 20.32 20.32 22.50 22.50 4.60 37.65 84 540-99-084-17-400 540-99-084-17-400-2 35.56 35.56 25.40 25.40 27.62 27.62 4.60 45.10 * rectangular PCB layout SMD types Series 540… 52 poles 68 poles 84 poles 20 poles 28 poles 32 poles 44 poles